YOU CAN COUNT ON OUR EXPERTISE








| Model No. | ClampingForce(kgf) @5kgf/㎠ |
Piston Diameter(ø) |
Effective Area(㎠) |
Stroke(mm) | Piston Speed (mm/s) |
Operating Pressure Range (kgf/㎠) |
Operating Temperature Range(℃) |
Weight (kg) |
|
|---|---|---|---|---|---|---|---|---|---|
| Total | Extra | ||||||||
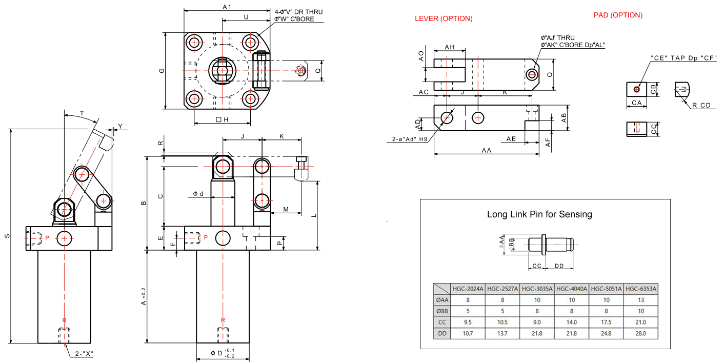
| HGC-1519A | 9 | 15 | 1.76 | 19 | 2 | 8~100 | 3~9.9 | 0~60 | 0.23 |
| HGC-2024A | 16 | 20 | 3.14 | 24 | 2 | 0.37 | |||
| HGC-2527A | 25 | 25 | 4.90 | 27 | 2 | 0.54 | |||
| HGC-3035A | 35 | 30 | 7.06 | 35 | 3 | 1.24 | |||
| HGC-4040A | 63 | 40 | 12.56 | 40 | 3 | 1.70 | |||
| HGC-5051A | 98 | 50 | 19.62 | 51 | 3 | 2.86 | |||
| HGC-6353A | 156 | 63 | 31.15 | 53 | 3 | 4.29 | |||
.png)

