KJF

ENG

Push/Pull Double Rod Horizontal Type Block Clamp

YOU CAN COUNT ON OUR EXPERTISE

Piping Method
Features
  • 양로드 타입
  • 복동
  • 다양한 사이즈
  • 내경범위 : ø28~80
  • 작동압력 : 15~250kgf/㎠
  • 피스톤속도 : 8~100mm/s
  • 사용온도 : 0~60℃
Model No.
  • 1
    Clamp Type
    BDH = Block Clamp, Double(Push/Pull)-acting, Horizontal type
  • 2
    Piston Diameter
    ex ) 28 = Ø28
  • 3
    Pistion Rod Stroke
    ex ) 15 = 15mm
  • 4
    Type
    D = Double Rod
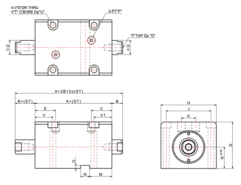
BLOCK CLAMP DOUBLE ROD HORIZONTAL TYPE
  • BDH-2815D
  • BDH-3215D
  • BDH-4015D
  • BDH-5015D
  • BDH-6315D
  • BDH-8015D
Specifications
MODEL NO. Max.Clamping Force (Ton) Effective Area (㎠) Oil Capacity (㎤) Weight(kg) Operating Pressure Range Operating Temperature Range
Push Pull Push Pull Push Pull
BDH-2815D 1.02 4.1 6.2 1.8 15~250 kgf/㎠ 0~60℃
BDH-2825D 10.4 2.0
BDH-2850D 20.7 2.7
BDH-3215D 1.37 5.5 8.2 2.0
BDH-3225D 13.7 2.7
BDH-3250D 27.5 3.5
BDH-4015D 2.15 8.6 12.9 2.7
BDH-4025D 21.6 3.0
BDH-4050D 43.1 4.1
BDH-5015D 3.40 13.6 20.2 4.0
BDH-5025D 33.7 4.6
BDH-5050D 67.4 5.6
BDH-6315D 5.32 21.3 31.8 6.5
BDH-6325D 53.2 7.3
BDH-6350D 106.4 9.0
BDH-8015D 8.60 34.4 51.5 12.7
BDH-8025D 85.9 13.8
BDH-8050D 171.8 15.6
MODEL NO. DIMENSIONS (mm) 주문
A B C øD E F G H J K M N O P Q R øS øT U V V1 Pistondia. 2D 3D PDF
BDH-2815D 61 8 23 16 23 M8 x1.25P 12 62 50 16 25 10 3.3 1/8 52 24 ø6.6 ø11 6.5 20 20 ø28
BDH-2825D 61 8 23 16 23 M8 x1.25P 12 62 50 16 25 10 3.3 1/8 52 24 ø6.6 ø11 6.5 20 20 ø28
BDH-2850D 61 8 23 16 23 M8 x1.25P 12 62 50 16 25 10 3.3 1/8 52 24 ø6.6 ø11 6.5 20 20 ø28
BDH-3215D 68 10 26 18 26 M10x 1.5P 15 70 56 20 28 12 3.3 1/4 56 25 ø9 ø14 9 20 20 ø32
BDH-3225D 68 10 26 18 26 M10x 1.5P 15 70 56 20 28 12 3.3 1/4 56 25 ø9 ø14 9 20 20 ø32
BDH-3250D 68 10 26 18 26 M10x 1.5P 15 70 56 20 28 12 3.3 1/4 56 25 ø9 ø14 9 20 20 ø32
BDH-4015D 70 10 27 22.4 27 M12x1.75P 20 80 62 20 28 12 3.3 1/4 64 29 ø11 ø17.5 11 20 20 ø40
BDH-4025D 70 10 27 22.4 27 M12x1.75P 20 80 62 20 28 12 3.3 1/4 64 29 ø11 ø17.5 11 20 20 ø40
BDH-4050D 70 10 27 22.4 27 M12x1.75P 20 80 62 20 28 12 3.3 1/4 64 29 ø11 ø17.5 11 20 20 ø40
BDH-5015D 75 10 29 28 29 M16x 2.0P 25 94 74 20 29 14 3.8 1/4 74 34 ø14 ø20 13 20 20 ø50
BDH-5025D 75 10 29 28 29 M16x 2.0P 25 94 74 20 29 14 3.8 1/4 74 34 ø14 ø20 13 20 20 ø50
BDH-5050D 75 10 29 28 29 M16x 2.0P 25 94 74 20 29 14 3.8 1/4 74 34 ø14 ø20 13 20 20 ø50
BDH-6315D 82 13 31.5 35.5 31.5 M20x 2.5P 33 114 90 20 31 16 4.3 1/4 89 42 ø16 ø23 16 20 20 ø63
BDH-6325D 82 13 31.5 35.5 31.5 M20x 2.5P 33 114 90 20 31 16 4.3 1/4 89 42 ø16 ø23 16 20 20 ø63
BDH-6350D 82 13 31.5 35.5 31.5 M20x 2.5P 33 114 90 20 31 16 4.3 1/4 89 42 ø16 ø23 16 20 20 ø63
BDH-8015D 92 17 33 45 33 M24x 3.0P 33 142 114 30 32 20 4.9 3/8 109 52 ø18 ø26 18 20 20 ø80
BDH-8025D 92 17 33 45 33 M24x 3.0P 33 142 114 30 32 20 4.9 3/8 109 52 ø18 ø26 18 20 20 ø80
BDH-8050D 92 17 33 45 33 M24x 3.0P 33 142 114 30 32 20 4.9 3/8 109 52 ø18 ø26 18 20 20 ø80
TOP