KJF

ENG

Q&A

YOU CAN COUNT ON OUR EXPERTISE

문의사항

Re: 헤드 부분 고정문의

본문

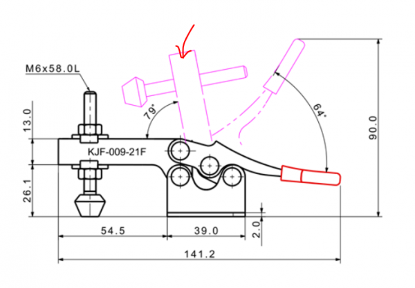
첨부파일에 표시한 부분이 언클램프 상태로 고정되어 있지 않고 내려 온다는 것입니까?
확인 부탁드립니다.

 >
 >
 > 안녕하세요 제품 사용 중 궁금한 사항이 있어 문의 드립니다.
> JF-009-21F 이 제품 사용중인데, 손잡이를 열어 헤드를 올리면 헤드가 위에 고정되어 있지 않고 앞으로 쏟아지는데
> 이 부분을 고정시키거나 개선 할 수 있는 방법이 있을까요?
> 검색 해봐도 별다른 답변을 찾이 못하여 문의 드립니다.
 >
 >
TOP